Pipe Sheet Welding Machine MWP-65
Product Mode:MWP-65
Welding Method:Self-fusion or filler wire
Product Features:No entanglement in all positions, the central pole is water-cooled and directly reaches the positioning expansion core
Protection Method:Argon gas and circulating water cooling
Welding Gun Weight:10KG
Product Introduction
1. Application industry: boilers, refrigeration, heat exchangers, pressure vessels, etc;
2. Scope of application: Welding of U-shaped tubes in heat exchangers made of stainless steel, carbon steel, titanium alloy and etc;
3. This device is used in conjunction with the MWA-400 integrated control power supply;
4. Welding form: pipe flush welding;
5. Warranty period: One year.

Product advantages
1. One click pneumatic core expansion structure to quickly position the welding gun;
2. Suitable for various welding forms;
3. Self-melted or filled with wire
4. Compact structural design, central pole water-cooled directly to the expansion core;
5. Suspended and fixed lifting equipment, flexible working space and wide range;
6. Equipped with a built-in wire feeder, capable of installing a 1KG wire feeder

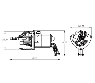
Product parameters
| Suitable pipe diameter | Inner diameter Φ 16mm - outer diameter Φ 63mm | Cooling method | Circulating water cooling |
| Welding wire diameter | Φ0.8mm, Φ1.0mm | External dimensions | 563mm×241mm×286mm |
| Applicable materials | Stainless steel, carbon steel, alloy steel | Welding gun weight | 9KG |
| Tungsten electrode diameter | 2.4mm | Supporting power supply | MWA-400 |
| Protective gas | Argon | Manual adjustment of welding gun angle | less or equal to 30° |
Configuration List
| Number | Name | Specifications | Unit | Quantity | Note |
| 1 | Pipe Sheet welding machine | MWP-65 | piece | 1 | Standard |
| 2 | Integrated control power supply | MWA-400 | piece | 1 | Standard |
| 3 | Wire feeding nozzle | Customization | piece | 1 | Standard |
| 4 | Tungsten needle | Ф2.0mm×150mm,Ф2.4mm×150mm | piece | 2 | Standard |
| 5 | Ceramic nozzle | Customization | piece | 1 | Standard |
| 6 | Tungsten electrode clamp | Ф2.4 | piece | 1 | Standard |
| 7 | Core expansion | Customization | piece | 1 | Standard |
| 8 | Expansion core copper sleeve | Customization | piece | 1 | Standard |
| 9 | Tungsten needle grinding machine | Customization | piece | 1 | Optional |
| 10 | Flat mouth machine | Customization | piece | 1 | Optional |
Related Accessories

Tungsten Needle

Core Expansion

Tungsten needle grinding machine
Application Scenarios





